

天然气紧急切断阀技术参数:
| 工作状态 | 通电关闭,手动复位 | ||
| 工作介质 | 煤气、天然气、液化石油气等可燃性气体,也可以适用于空气、水液等普通介质 | ||
| 介质温度℃ | ≤70 | ||
| 公称压力 mpa | 1.6 | 2.5 | 4.0 |
| 工作压差 mpa | 0-0.004(常用形式) 0-0.01、0.1-1.6、0.1-4.0(特殊形式) | ||
| 电源电压 | ac220v、ac380v、ac24v、dc24v、dc220v其余规格可作特殊订货 | ||
| 额定流量系数 kv | 按jb/t7352-94规定 | ||
| 泄漏量 ml/min | 按jb/t7352-94·f规定 | ||
| 公称通径 mm | dn10-dn450 | ||
| 防爆标志 | exmiit4 | ||
| 防爆证编号 | gyb071325x | ||
| 出线口接头 | 内螺纹m20×1.5或1.5米防爆引线 | ||
| 环境温度 | -5~+40℃(不结冻) | ||

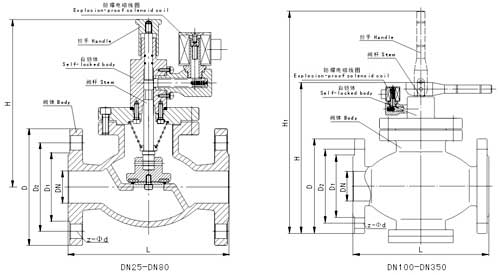
| 公称通径dn(mm) | 尺 寸(mm) | 管接头 | |||||||||
| d | d1 | d2 | d2 | f2 | b | l | h | h1 | z-фd | ||
| 50 | 160 | 125 | 100 | 88 | 4 | 20 | 230 | 346 | 359 | 4-18 | r1/4 |
| 65 | 180 | 145 | 125 | - | - | - | 290 | 337 | 354 | - | |
| 80 | 195 | 160 | 135 | 121 | 4 | 22 | 310 | 445 | 465 | 8-18 | |
| 100 | 230 | 190 | 160 | 150 | 4.5 | 24 | 350 | 590 | 623 | 8-22 | |
| 150 | 300 | 250 | 218 | 204 | 4.5 | 28 | 444 | - | 580 | 8-25 | r1/2 |
| 200 | 360 | 310 | 278 | 260 | 4.5 | 30 | 559 | - | 645 | 12-25 | |
| 250 | 425 | 370 | 332 | 313 | 4.5 | 32 | 622 | - | 750 | 12-30 | |
| 300 | 485 | 430 | 390 | 364 | 4.5 | 36 | 711 | - | 1100 | 16-30 | |
| 350 | 550 | 490 | 448 | 422 | 5 | 40 | 838 | - | 1380 | 16-34 | |
