

氨用截止阀产品简介:氨用截止阀采用耐低温优质碳钢或不锈钢为阀体,不锈钢镀铬阀轴,巴氏合金密封,体积轻,阻力小,安装方便,可广泛应用于水电站、食品、化工、水产等冷冻冷藏系统。氨用截止阀工作原理:氨用截止阀的密封面采用巴氏合金、四氟、尼龙等。使用寿命长。是安装在制冷系统的设备或管路上,用以接通和切断制冷工质流动的通道,在使用过程中遇到温差幅度变动环境下能自然达到化学处理性能。适于温度-40~+150摄氏度的氨、氨液介质的管路及液化气管路上作启闭作用。主要适用于冷冻、制冷、化工、石油、食品、冶炼、液化气等单位使用。氨用截止阀产品特点:1、中通法兰为方形结构,阀杆采用间杆连接。2、密封面采用巴氏合金,密封性能好,使用寿命长。3、阀体密封面部位采用球凸状,与阀脚以线吻合密封。氨用截止阀主要性能规范:适用介质:液、气、氨、氮、氢适用温度: -40-150℃试验压力:
| 公称压力 pn(mpa) | 试验压力 (mpa) | |
| 壳体强度试验 | 密封试验 | |
| 1.6 | 2.4 | 1.76 |
| 2.5 | 3.75 | 2.75 |
| 产品类型 | 零件名称 | |||||
| 阀体、阀盖 | 阀杆 | 填料 | 密封面 | 垫片 | 紧固件 | |
| j41b-16/25c | 铸钢 | 碳钢 | 聚四氟乙烯 | 巴氐合金 | 石棉橡胶板 | 优质碳钢 |
| j41b-16/25q | 球墨铸铁 | 碳钢 | 聚四氟乙烯 | 巴氏合金 | 石棉橡胶板 | 优质碳钢 |
| j41b-16/25k | 可锻铸铁 | 碳钢 | 聚四氟乙烯 | 巴氏合金 | 石棉橡胶板 | 优质碳钢 |

| 公称通径 dn(mm) |
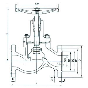
主要外形尺寸及连接尺寸(mm) | ||||||||||
| l | d | d1 | d2 | d6 | b | f | f2 | z-d | h | do | |
| j41b-16c j41b-16q j41b-16k | |||||||||||
| 10 | 130 | 90 | 60 | 40 | 35 | 14 | 2 | 4 | 4-14 | 196 | 120 |
| 15 | 130 | 95 | 65 | 45 | 40 | 14 | 2 | 4 | 4-14 | 196 | 120 |
| 20 | 150 | 105 | 75 | 55 | 51 | 16 | 2 | 4 | 4-14 | 196 | 140 |
| 25 | 160 | 115 | 85 | 65 | 58 | 16 | 2 | 4 | 4-14 | 204 | 160 |
| 32 | 180 | 135 | 100 | 78 | 66 | 18 | 2 | 4 | 4-18 | 208 | 160 |
| 40 | 200 | 145 | 110 | 85 | 76 | 18 | 3 | 4 | 4-18 | 248 | 200 |
| 50 | 230 | 160 | 125 | 100 | 88 | 20 | 3 | 4 | 4-18 | 248 | 200 |
| 65 | 290 | 180 | 145 | 125 | 110 | 22 | 3 | 4 | 4-18 | 321 | 240 |
| 80 | 310 | 195 | 160 | 135 | 121 | 24 | 3 | 4 | 8-18 | 325 | 240 |
| 100 | 350 | 215 | 180 | 155 | 150 | 24 | 3 | 4.5 | 8-18 | 371 | 280 |
| 125 | 400 | 245 | 210 | 185 | 176 | 26 | 3 | 4.5 | 8-18 | 400 | 320 |
| 150 | 480 | 280 | 240 | 210 | 204 | 26 | 3 | 4.5 | 8-23 | 432 | 320 |
| 200 | 600 | 335 | 295 | 265 | 260 | 30 | 3 | 4.5 | 12-23 | 654 | 400 |
| 250 | 650 | 405 | 335 | 320 | 313 | 32 | 3 | 4.5 | 12-25 | 745 | 500 |
| 300 | 700 | 460 | 410 | 375 | 364 | 34 | 3 | 4.5 | 12-25 | 852 | 600 |
| j41b-25c j41b-25q j41b-25k | |||||||||||
| 10 | 130 | 90 | 60 | 40 | 35 | 16 | 2 | 4 | 4-14 | 196 | 120 |
| 15 | 130 | 95 | 65 | 45 | 40 | 16 | 2 | 4 | 4-14 | 196 | 120 |
| 20 | 150 | 105 | 75 | 55 | 51 | 16 | 2 | 4 | 4-14 | 196 | 120 |
| 25 | 160 | 115 | 85 | 65 | 58 | 18 | 2 | d | 4-14 | 201 | 120 |
| 32 | 180 | 135 | 100 | 78 | 66 | 18 | 2 | 4 | 4-18 | 208 | 120 |
| 40 | 200 | 145 | 110 | 85 | 76 | 20 | 2 | d | 4-18 | 248 | 160 |
| 50 | 230 | 160 | 125 | 100 | 88 | 20 | 3 | 4 | 4-18 | 248 | 160 |
| 65 | 290 | 180 | 145 | 125 | 110 | 22 | 3 | 4 | 8-18 | 321 | 240 |
| 80 | 310 | 195 | 160 | 135 | 121 | 24 | 3 | 4 | 8-18 | 325 | 240 |
| 100 | 350 | 230 | 190 | 160 | 150 | 24 | 3 | 4.5 | 8-23 | 371 | 280 |
| 125 | 400 | 270 | 220 | 188 | 176 | 30 | 3 | 4.5 | 8-25 | 400 | 320 |
| 150 | 480 | 300 | 250 | 218 | 204 | 30 | 3 | 4.5 | 8-25 | 432 | 320 |
| 200 | 600 | 360 | 310 | 278 | 260 | 34 | 3 | 4.5 | 12-30 | 654 | 400 |
| 250 | 650 | 425 | 370 | 332 | 313 | 42 | 3 | 4.5 | 12-34 | 745 | 500 |
| 300 | 750 | 485 | 430 | 390 | 364 | 46 | 3 | 4.5 | 12-34 | 852 | 600 |
