电动对夹硬密封蝶阀产品简介: d973h电动对夹硬密封蝶阀是由高精度电动执行器与对夹式蝶阀组成,执行器采用一体化结构,开关型有输入ac220v电压, 输出无源触点信号(或开关到位灯信号),调节型有输入(dc4-20ma或dc1-5v)的控制信号及单相电源即可控制运转,电动对夹蝶阀具有功能强,体积小,轻便宜人,性能可靠,配套简单,流通能力大,特别适合于介质是粘稠,含颗粒,纤维性质的场合。电动对夹蝶阀可广泛应用于食品、环保、轻工、石油、化工、教学设备、造纸、电力等行业的工业过程自动控制系统中。电动对夹硬密封蝶阀工作原理: d973h电动对夹硬密封蝶阀采用一体化结构,接入220vac电源即可控制运转,也可加入控制模块,输入控制信号(4-20madc或1-5vdc)进行调节控制。具有功能强,体积小,轻便宜人,性能可靠,配套简单元,流通能力大,对常温、干净介质,可选用阀板加软密封(橡胶圈、四氟圈)来减少泄漏(可达0.01%),高温高压工况可选用三偏心硬密封阀体。它可广泛应用于食品,环保,轻工,石油,化工,教学设备,造纸,电力等到行业的工业过程自动控制系统中。电动对夹硬密封蝶阀产品特点:1、可以任何位置安装,维修方便。2、阀座密封与靠背一体结构,减少阀座变形量。3、密封材料耐老化、耐腐蚀,使用寿命长等特点。4、设计新颖、合理、结构独特,重量轻,启闭迅速。5、两截式阀杆无销连接,结构简单紧凑,维修方便。6、阀杆轴向定位装置,增强密封性、减少阀门扭矩。7、密封件可以更换,密封性能可靠达到双向密封零泄漏。电动对夹硬密封蝶阀采用标准
| 制造标准 |
jb/t 8527-97 |
| 法兰标准 |
gb9113-2000 |
| 结构长度标准 |
gb12221-89 |
| 检验标准 |
gb/t 13927-92 |
电动对夹硬密封蝶阀主要技术参数
| 公称通经dn(mm) |
50~2000 |
| 公称药理pn(mpa) |
0.6 |
1.0 |
1.6 |
2.5 |
| 密封试验(mpa) |
0.66 |
1.1 |
1.76 |
2.75 |
| 强度试验(mpa) |
0.9 |
1.5 |
2.4 |
3.75 |
| 适用温度 |
碳钢:-29℃~425℃ 不锈钢:-40℃~650℃ |
| 适用介质 |
水、空气、天然气、油品及弱腐蚀性流体 |
| 泄漏率 |
符合gb/t13927-92标准 |
| 驱动方式 |
蜗轮传动、电动、气动、液动 |
电动对夹硬密封蝶阀主要零部件材料
| 零件名称 |
材料 |
| 阀体 |
wcb、合金钢、不锈钢、qt450-10 |
| 蝶板 |
wcb、合金钢、不锈钢、qt450-10 |
| 阀轴 |
2cr13不锈钢、合金钢 |
| 密封圈 |
不锈钢圈 |
| 填料 |
柔性石墨 |
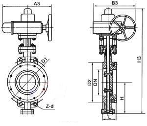
电动对夹硬密封蝶阀主要外形连接尺寸

| 公称通经(dn) |
主要尺寸 |
法兰孔尺寸和螺栓规格 |
| 1.0mpa |
1.6mpa |
2.5mpa |
| l |
h3 |
h1 |
d1 |
4-ф-m |
d1 |
4-ф-m |
, d1 |
4-ф-m |
| 50 |
43 |
350 |
112 |
125 |
ф18 |
125 |
ф18 |
125 |
ф18 |
| 65 |
46 |
370 |
115 |
145 |
ф18 |
145 |
ф18 |
145 |
ф18 |
| 80 |
49 |
380 |
120 |
160 |
ф18 |
160 |
ф18 |
160 |
ф18 |
| 100 |
56 |
420 |
138 |
180 |
ф18 |
180 |
ф18 |
190 |
ф23 |
| 125 |
64 |
460 |
164 |
210 |
ф18 |
210 |
ф18 |
220 |
ф27 |
| 150 |
70 |
555 |
175 |
240 |
ф23 |
240 |
ф23 |
250 |
ф27 |
| 200 |
71 |
605 |
208 |
295 |
m20 |
295 |
m20 |
310 |
m24 |
| 250 |
76 |
680 |
243 |
350 |
m20 |
355 |
m24 |
370 |
m27 |
| 300 |
83 |
800 |
283 |
400 |
m20 |
410 |
m24 |
430 |
m27 |
| 350 |
92 |
835 |
310 |
460 |
m20 |
470 |
m24 |
490 |
m30 |
| 400 |
102 |
915 |
340 |
515 |
m24 |
525 |
m27 |
550 |
m33 |
| 450 |
114 |
960 |
380 |
565 |
m24 |
585 |
m27 |
600 |
m33 |
| 500 |
127 |
1020 |
410 |
620 |
m24 |
650 |
m30 |
660 |
m33 |
| 600 |
154 |
1225 |
470 |
725 |
m27 |
770 |
m33 |
770 |
m36 |
| 700 |
165 |
1355 |
550 |
840 |
m27 |
840 |
m33 |
875 |
m39 |
| 800 |
190 |
1470 |
640 |
950 |
m30 |
950 |
m36 |
990 |
m45 |
| 900 |
203 |
1545 |
710 |
1050 |
m30 |
1050 |
m36 |
1090 |
m45 |
| 1000 |
216 |
1795 |
770 |
1160 |
m33 |
1170 |
m39 |
1210 |
m52 |
| 1200 |
254 |
1965 |
890 |
1380 |
m36 |
1390 |
m45 |
1420 |
m52 |
下一个产品:d943h电动法兰硬密封蝶阀
上一个产品:d971x电动橡胶对夹蝶阀