

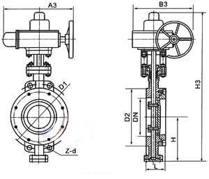
电动法兰硬密封蝶阀产品简介: d943h电动法兰硬密封蝶阀作为新一代调速型蝶阀,本阀从设计思路上改变了传统的靠机械变速来完成蝶板开关速度变化的模式,根据蝶板不同位置的动作特点,从电动驱动控制上进行了全新的设计。电动法兰蝶阀采取改电动装置输入电流的频率,进而调整电动装置的转动速度和输出力矩,以达到控制蝶板开工关速度,实现蝶板快关、慢关两阶段关闭或慢开、快开两阶段开启的目的。与液控蝶阀具有同样的功能。电动法兰硬密封蝶阀工作原理: d943h电动法兰硬密封蝶阀通常由角行程电动执行机构(0-90°部分回转)和蝶阀整体通过机械连接,经过安装调试后共同组成。且结构简单、体积小、重量轻,只由少数几个零件组成。而且只需旋转90°即可快速启闭,操作简单,同时该阀门具有良好的流体控制特性。电动法兰硬密封蝶阀产品特点:1、当发生事故或停电时,可以通过手动操作控制蝶阀启闭。2、电动启闭,具有任意调整、止回和截止功能。操作方便,安全可靠。3、流阻小。本阀全开时流阻系数不超过0.3,因此可以节约能源,降低管路的运行费用。4、节能驱动,与普通蝶阀同样的驱动电机即可实现快关段高速小转矩和慢关低段大转矩的功能。5、本阀可连续实现慢开、快开或快关、慢关的动作,并有效的防止了泵出口介质倒流和水锤的产生。6、安装在泵出口时,本蝶阀同时具有止回啊和闸阀的共同功能,因此可以一阀代两阀,节约安装空间,节省管网造价。电动法兰硬密封蝶阀主要连接及外形尺寸:

| 公称通径dn | 结构长度l | 外形尺寸(参考值) | 连接(标准值) | 参考重量d943h | ||||||||||
| d943h | pn0.6mpa | pn1.0mpa | ||||||||||||
| mm | inch | 短 | 长 | h | h1 | a1 | b1 | d1 | d2 | z-d | d1 | d2 | z-d | |
| 50 | 2 | 108 | 150 | 112 | 350 | 180 | 200 | 140 | 110 | 4-14 | 165 | 125 | 4-18 | 17 |
| 65 | 5/2 | 112 | 170 | 115 | 370 | 180 | 200 | 160 | 130 | 4-14 | 185 | 145 | 4-18 | 20 |
| 80 | 3 | 114 | 180 | 120 | 380 | 180 | 200 | 190 | 150 | 4-18 | 200 | 160 | 8-18 | 23 |
| 100 | 4 | 127 | 190 | 138 | 420 | 180 | 200 | 210 | 170 | 4-18 | 220 | 180 | 8-18 | 25 |
| 125 | 5 | 140 | 200 | 164 | 460 | 180 | 200 | 240 | 200 | 8-18 | 250 | 210 | 8-18 | 40 |
| 150 | 6 | 140 | 210 | 175 | 555 | 270 | 280 | 165 | 225 | 8-18 | 285 | 240 | 8-22 | 47 |
| 200 | 8 | 152 | 230 | 208 | 605 | 270 | 280 | 320 | 280 | 8-18 | 340 | 295 | 8-22 | 60 |
| 250 | 10 | 165 | 250 | 243 | 680 | 270 | 280 | 375 | 335 | 12-18 | 395 | 350 | 12-22 | 95 |
| 300 | 12 | 178 | 270 | 283 | 800 | 380 | 440 | 395 | 12-22 | 445 | 400 | 12-22 | 124 | 125 |
| 350 | 14 | 190 | 290 | 310 | 835 | 420 | 420 | 490 | 445 | 12-22 | 505 | 460 | 16-22 | 181 |
| 400 | 16 | 216 | 310 | 340 | 915 | 450 | 470 | 540 | 495 | 16-22 | 565 | 515 | 16-26 | 260 |
| 450 | 18 | 222 | 330 | 380 | 960 | 480 | 490 | 595 | 550 | 16-22 | 615 | 565 | 20-26 | 338 |
| 500 | 20 | 229 | 350 | 410 | 1020 | 480 | 490 | 645 | 600 | 20-22 | 670 | 620 | 20-26 | 360 |
| 600 | 24 | 267 | 390 | 470 | 1225 | 480 | 660 | 755 | 705 | 20-26 | 780 | 725 | 20-30 | 540 |
| 700 | 28 | 292 | 430 | 550 | 1355 | 640 | 660 | 860 | 810 | 24-26 | 895 | 840 | 24-30 | 580 |
| 800 | 32 | 318 | 470 | 640 | 1470 | 640 | 660 | 975 | 920 | 24-30 | 1015 | 950 | 24-33 | 845 |
| 900 | 36 | 330 | 510 | 710 | 1545 | 750 | 860 | 1075 | 1020 | 24-30 | 1115 | 1050 | 28-33 | 1050 |
| 1000 | 40 | 410 | 550 | 770 | 1795 | 850 | 860 | 1175 | 1120 | 28-30 | 1230 | 1160 | 28-36 | 1500 |
| 1200 | 48 | 470 | 630 | 890 | 1965 | 850 | 900 | 1405 | 1340 | 32-33 | 1455 | 1380 | 32-39 | 2000 |
