

对夹式半衬蝶阀产品简介:d71jh对夹式半衬蝶阀由橡胶密封蝶阀和碳钢或不锈钢阀板、阀杆构成。适用于温度≤120℃,公称压力≤1.6mpa的食品、医药、化工、石油、电力、轻纺造纸等给排水、气体管道上作调节流量和截滶介质的作用。对夹式半衬蝶阀工作原理:d71jh对夹式半衬蝶阀启闭件是一个圆盘形的蝶板,在阀体内绕其自身的轴线旋转,从而达到启闭或调节。蝶阀全开到全关通常是小于90度,蝶阀和蝶杆本身没有自锁有力,为了蝶板的定位,要在阀杆上加装蜗轮减速器。采用蜗轮减速器,不仅可以使蝶板具有自锁能力,使蝶板停止在任意位置上,还能改善阀门的操作性能。对夹式半衬蝶阀产品特点:1、流量特性趋直线,调节性能好。2、驱动方式可选择手动、电动或气动。3、密封件可更换,且密封可靠达到双向密封。4、小巧轻便,容易拆装及维修,并可在任意位置安装。5、结构简单、紧凑,操作扭矩小,90°回转开启迅速。6、蝶板可根据用户要求喷涂覆层,如尼龙或聚四氟类。7、蝶板与阀杆的连接采用无销钉结构,克服了有可能的内泄漏点。8、蝶板外圆采用球面造型,提高了密封性能及延长了阀门的使用寿命,带压启闭5万次以上仍保持零泄漏。对夹式半衬蝶阀采用标准◇设计标准:gb/t12238-1989◇法兰连接尺寸:gb/t9113.1-2000 gb/t9115.1-2000 jb78◇结构长度:gb/t12221-1989◇压力试验:gb/t13927-1992;jb/t9092-1999对夹式半衬蝶阀材料
| 阀体 | 铸铁、球墨铸铁、碳钢、不锈钢 |
| 蝶板 | 不锈钢(304、316) |
| 阀杆 | 碳钢镀镍磷、不锈钢 |
| 阀座密封圈 | 天然胶nr、氯丁胶cr、丁腈胶nbr、三元乙丙胶epdm、氟橡胶fkm |
| 手柄 | 铝合金、碳钢 |
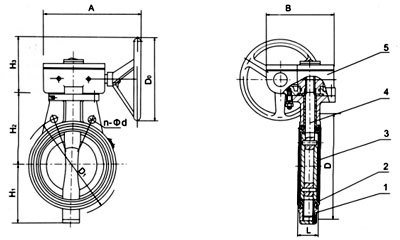
部件列表:1、阀体 2、阀座 3、蝶板 4、阀杆 5、蜗轮装置| 公称通径dn | 公称压力mpa | 工作压力mpa | l mm |
d mm |
d1 mm |
n-φd mm |
h1 mm |
h2 mm |
do mm |
h3 mm |
a mm |
b mm |
质量 kg/kilos |
| 40 | 1.0 | 1.0 | 33 | 150 | 110 | 4-18 | 55 | 100 | 150 | 62 | 164 | 125 | 6 |
| 50 | 43 | 165 | 125 | 4-18 | 64 | 120 | 150 | 62 | 164 | 125 | 7 | ||
| 65 | 46 | 185 | 145 | 4-18 | 80 | 120 | 208 | 62 | 164 | 125 | 10 | ||
| 80 | 46 | 200 | 160 | 8-18 | 112 | 130 | 260 | 62 | 164 | 125 | 11 | ||
| 100 | 52 | 220 | 180 | 8-18 | 90 | 140 | 275 | 62 | 164 | 125 | 12 | ||
| 125 | 56 | 250 | 210 | 8-18 | 112 | 160 | 350 | 106 | 289 | 200 | 18 | ||
| 150 | 56 | 285 | 240 | 8-22 | 135 | 175 | 350 | 106 | 289 | 200 | 29 | ||
| 200 | 60 | 340 | 295 | 8-22 | 160 | 210 | 240 | 106 | 289 | 200 | 34.5 | ||
| 250 | 0.6 | 68 | 395 | 350 | 12-22 | 206 | 235 | 240 | 106 | 289 | 200 | 44 | |
| 300 | 78 | 445 | 400 | 12-22 | 232 | 273 | 320 | 112 | 370 | 253 | 64.5 | ||
| 350 | 78 | 505 | 450 | 16-22 | 263 | 310 | 320 | 112 | 370 | 253 | 75.5 | ||
| 400 | 102 | 565 | 515 | 16-26 | 295 | 340 | 400 | 270 | 562 | 280 | 156 | ||
| 450 | 114 | 615 | 565 | 20-26 | 327 | 370 | 400 | 270 | 562 | 280 | 171.5 | ||
| 500 | 127 | 670 | 620 | 20-26 | 358 | 399 | 400 | 270 | 562 | 280 | 206.5 | ||
| 550 | 0.4 | 140 | 730 | 675 | 20-30 | 384 | 430 | 400 | 270 | 562 | 280 | 215 | |
| 600 | 154 | 780 | 725 | 20-30 | 474 | 460 | 500 | 270 | 562 | 280 | 283 | ||
| 700 | 165 | 895 | 840 | 24-30 | 486 | 510 | 500 | 125 | 503 | 443 | 426 | ||
| 800 | 190 | 1015 | 950 | 24-33 | 591 | 672 | 500 | 200 | 513 | 531 | 550 | ||
| 900 | 203 | 1115 | 1050 | 28-33 | 500 | 200 | 513 | 531 | 1070 | ||||
| 1000 | 216 | 1230 | 1160 | 28-36 | 721 | 800 | 550 | 273 | 713 | 815 | 1296 | ||
