

对夹式衬胶蝶阀产品简介:对夹式衬胶蝶阀可根据不同工况条件,选置不同橡胶衬里的阀体以及不同材质(全衬胶、全衬氟及不锈钢)的蝶板,以适应不同介质的流体、半流体、气体或粉末状管路输送和容器上,作为截流机构或调节装置使用。对夹式衬胶蝶阀广泛安装于石油、化工、冶金、电站、城市给排水、环保、医药、食品、造纸等工业系统中、以确保不同使用条件下的密封性、耐蚀性。对夹式衬胶蝶阀工作原理:蝶板的回转中心(即阀杆的中心)位于阀体的中心线和蝶板的密封面截面上。阀座采用合成橡胶。关闭时蝶板的外圆密封面挤压合成橡胶阀座,使阀座产生弹性变形而形成弹性力作为密封比压保证蝶阀的密封。对夹式衬胶蝶阀产品特点:1、本阀结构独特,操作灵活,省力,方便。2、蝶板采用框架结构,强度高,过流面积大,流阻小。3、密封副材料选用不锈钢和丁腈耐油橡胶配对,使用寿命长。4、本阀采用双偏心结构,具有越关越紧的密封功能,密封性能可靠。5、整体烤漆、能有效地防止锈蚀且只要更换密封阀座密封材料,就可使用于不同介质。6、橡胶密封圈即可位于阀体上,也可以位于蝶板上,可适用不同特点的介质,供用户选择。7、本阀具有双向密封功能,安装时不受介质流向的控制,也不受空间位置的影响,可在任何方向安装。对夹式衬胶蝶阀主要技术参数:※公称通经dn(mm) 50~2000 50~1600※公称药理pn(mpa) 0.6 1.0 1.6※密封试验(mpa) 0.66 1.1 1.76※强度试验(mpa) 0.9 1.5 2.4※适用温度 丁腈橡胶:-40℃~90℃氟橡胶:-20℃~200℃※适用介质 水、空气、天然气、油品及弱腐蚀性流体※泄漏率 符合gb/t13927-92标准※驱动方式 蜗轮传动、电动、气动、液动对夹式衬胶蝶阀主要零部件材料:◇阀体 wcb、qt450-※ht200、ht250◇蝶板 wcb、qt450-※ht200、ht250◇阀轴 2cr13◇密封圈 丁腈耐油橡胶◇填料 柔性石墨对夹式衬胶蝶阀执行标准:◆制造标准 gb/t 122387-89◆法兰标准 gb9113-2000、gb17241.6-1998◆结构长度标准 gb12221-89◆检验标准 gb/t 13927-92对夹式衬胶蝶阀用途
| 密封圈材料代号 | 适用温度 | 适用介质 |
| nr | ≤85℃ | 水、空气、酸碱类 |
| cr | ≤85℃ | 水、煤气、酸碱类 |
| nbr | ≤100℃ | 水、油品 |
| epdm | ≤120℃ | 水、蒸汽、一般酸碱类 |
| fkm | ≤150℃ | 水、蒸汽、强酸碱类 |
| 阀体 | 铸铁、球墨铸铁、碳钢、不锈钢 |
| 蝶板 | 铸铁、球墨铸铁、碳钢、不锈钢、碳钢完全包覆橡胶或氟塑料 |
| 阀杆 | 碳钢镀镍磷、不锈钢 |
| 阀座密封圈 | 天然胶nr、氯丁胶cr、丁腈胶nbr、三元乙丙胶epdm、氟橡胶fkm |
| 手柄 | 铝合金、碳钢 |
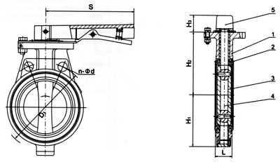
部件列表:1.阀体 2.阀体衬里 3.隔膜 4.阀瓣 5.阀杆 6.阀盖 7、手轮| 公称通径 dn |
公称压力 mpa |
工作压力 mpa |
l mm |
d mm |
d1 mm |
n-φd mm |
h1 mm |
h2 mm |
s mm |
h3 mm |
质量 kg/kilos |
| 40 | 1.61.0 | 1.61.0 | 33 | 150 | 110 | 4-18 | 55 | 100 | 235 | 27 | 2 |
| 50 | 43 | 165 | 125 | 4-18 | 64 | 120 | 235 | 27 | 2.5 | ||
| 65 | 46 | 185 | 145 | 4-18 | 80 | 120 | 235 | 27 | 4.5 | ||
| 80 | 46 | 200 | 160 | 8-18 | 112 | 130 | 265 | 27 | 5.5 | ||
| 100 | 52 | 220 | 180 | 8-18 | 90 | 145 | 265 | 27 | 6.5 | ||
| 125 | 56 | 250 | 210 | 8-18 | 112 | 160 | 365 | 32 | 11.5 | ||
| 150 | 56 | 285 | 240 | 8-22 | 135 | 175 | 365 | 32 | 13.5 |
