

电动角型调节阀产品的详细资料:产品型号:zdsj型产品名称:电动角型调节阀产品特点:zdsj系列电子式直行程电动角型调节阀,配用德国进口ps系列直行程电动执行机构,实现对压力、流量、温度、液位等参数的调节。具有体积小、重量轻、泄漏量少、流路简单、阻力小,使用于高压差、高粘度、含有悬浮物和颗粒状物质液体的调节,可以避免结焦,堵塞,也便于自洁和水清洗,角型阀一般使用于底进侧出的场合,因为这样可使调节有较好的稳定性。电子式电动角型调节阀,电动角型调节阀,电子式调节阀。电动角型调节阀阀体:☆形式:角型单座铸造阀
电动角型调节阀上阀盖:☆常 温 型:-20℃-+200℃
电动角型调节阀执行机构:类型:可选ps、3810、zaz型(dn100以内)、dkz型(dn100以上)系列电子式直行程执行机构。| 公称通径dn | 20 | 25 | 32 | 40 | 50 | 65 | 80 | 100 | 125 | 150 | 200 | 250 | 300 | |
| 阀座直径dn(mm) | 20 | 25 | 32 | 40 | 50 | 65 | 80 | 100 | 125 | 150 | 200 | 250 | 300 | |
| 额定流量系数kv | 6.5 | 10 | 16 | 25 | 40 | 63 | 100 | 160 | 250 | 400 | 630 | |||
| 行程mm | 10 | 16 | 25 | 40 | 60 | 100 | 100 | |||||||
| 允许压差δmpa | 6.1 | 3.8 | 2.3 | 1.4 | 1.0 | 2.3 | 1.6 | 1.0 | 0.8 | 0.6 | 0.4 | |||
| 基本误差% | ±2.5 | |||||||||||||
| 回差% | 2.5 | |||||||||||||
| 死区% | 1.0 | |||||||||||||
| 始终点偏差% | ±2.5 | |||||||||||||
| 额定行程偏差% | 2.5 | |||||||||||||
| 允许泄漏量q | kv值的0.1% | |||||||||||||
| 可调范围 | 30:1 | |||||||||||||
| 配电动执行器型号 | psl | psl201 | psl202 | psl204 | psl208 | psl312 | psl320 | |||||||
| 3810l | sa-08 | 381lsa-30 | 381lsb-30 | 381lsb-50 | 381lsc-65 | 381lsc-160 | ||||||||
| 公称压力介质温度阀体材料 | 1.6mpa | 常温-20℃~+200℃ 铸铁ht200 | ||||||||||||
| 4.0mpa | 常温-20℃~+200℃ 铸钢zg25 铸不锈钢zg1cr18ni9ti | |||||||||||||
| 中温-40℃~+450℃ 铸钢zg25 铸不锈钢zg1cr18ni9ti | ||||||||||||||
| 6.4mpa | 常温-20℃~+200℃ 铸钢zg25 铸不锈钢zg1cr18ni9ti | |||||||||||||
| 中温-40℃~+450℃ 铸钢zg25 铸不锈钢zg1cr18ni9ti | ||||||||||||||
| 阀体材料 | 公称 压力 mpa |
介质工作温度℃ | |||||||||||||
| 〈 | 〈 | 〈 | 〈 | 〈 | 〈 | 〈 | 〈 | 〈 | 〈 | 〈 | 〈 | 〈 | 〈 | ||
| 120 | 200 | 250 | 300 | 350 | 400 | 425 | 450 | 475 | 500 | 525 | 550 | 575 | 600 | ||
| 最大工作压力mpa | |||||||||||||||
| 铸铁ht200 | 1.6 | 1.6 | 1.5 | ||||||||||||
| 铸钢zg25 | 4.06.4 | 4.06.4 | 3.75.9 | 3.35.2 | 3.04.7 | 2.84.1 | 2.33.7 | 1.82.9 | |||||||
| 铸不锈钢zg1cr18ni9ti | 4.06.4 | 4.06.4 | 3.04.4 | 2.74.2 | 2.44.0 | 2.13.8 | 1.93.5 | 1.73.4 | 1.43.2 | 1.12.9 | 0.82.6 | ||||
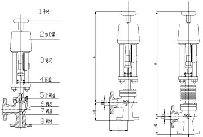
电动角型调节阀安装尺寸和重量:| 公称通径dn(mm) | l(mm) | h1mm | h(mm) | rmm | 重量(kg) | |
| pn(mpa) | 常温 | 中温 | pn1.6 mpa | |||
| 1.6 | ||||||
| 20 | 100 | 100 | 740 | 870 | 176 | 15.5 |
| 25 | 115 | 115 | 740 | 870 | 176 | 25 |
| 32 | 130 | 130 | 785 | 915 | 176 | 27.5 |
| 40 | 130 | 130 | 770 | 900 | 176 | 28.5 |
| 50 | 150 | 150 | 785 | 920 | 176 | 32.5 |
| 65 | 170 | 170 | 915 | 1080 | 225 | 59 |
| 80 | 190 | 190 | 975 | 1140 | 225 | 59 |
| 100 | 215 | 215 | 1035 | 1200 | 225 | 87 |
| 125 | 250 | 250 | 1145 | 1285 | 225 | 133 |
| 150 | 275 | 275 | 1200 | 1340 | 225 | 171 |
| 200 | 325 | 325 | 1255 | 1400 | 225 | 269 |
| z | d | s | jp | 16 | c | g |
| 自控阀门 | 执行机构类型 | 位移特征: | 阀门结构形式: | 公称压力: | 阀体材质: | 温度类型: |
| d:表示ps系列 | s:表示直行程 | j:表示角形阀 | 16:表示1.6mpa | c:表示碳钢 | g:表示中温型常温省略 | |
| r:表示3810系列 | p:表示单座 | 40:表示4.0mpa | p:表示不锈钢铸铁省略 | |||
| h:表示dkz系列 | 64:表示6.4mpa | |||||
| c:表示zaz系列 |
