法兰伸缩蝶阀产品简介:法兰伸缩蝶阀具有自动补偿管道热胀冷缩方便装卸的功能,使用于温度在120℃以下,公称压力在1.6mpa以下的石油,化工、电力、造纸、给排水和市政建设等工业管道上作调节流量和载断流体的最佳装置。法兰伸缩蝶阀工作原理:法兰伸缩蝶阀分三种类型:a、普通型:选用时按伸缩器的设计规范设计安装,如需加限位螺栓,请设计时注明。b、固定限位型:它即可伸缩,又能限位,具有把伸缩部分固定起来不让其伸缩的功能。其特点是功能多,适用范围更广。c、加长型:它是把普通型伸缩蝶阀的伸缩节加长,使其长度符合用户所需长度(不包括伸缩量),其特点是在老管路的改造时,原管路上的阀门需要更新换代,不需把原管道上的阀门的连接部分割衬,即可取而代之。加长型选用时也应考虑加限位措施,如需限位请设计时注明。法兰伸缩蝶阀产品特点:1、密封部位可调节更换,密封性能可靠。2、结构独特,设计灵活,重量轻,省力,启闭迅速。3、伸缩蝶阀不仅能补偿管道温差缩产生的热胀冷缩的功能,还能为维修阀门安装更换提供方便。法兰伸缩蝶阀安装注意事项:1、法兰伸缩蝶阀安装前必须平放,切勿随意磕碰,运行时严禁将支架卸掉。2、法兰伸缩蝶阀出厂时结构长度为最小长度,安装时,拉至安装长度(即设计长度)。3、当管道间长度超过伸缩阀安装长度时,请调整管道间隔,切勿强行拉伸缩蝶阀,以免损坏蝶阀。4、法兰伸缩蝶阀可在任意安装,做温度补偿用时,在管道安装完成后,需沿管道轴线方向两端加支架,防止伸缩阀伸缩管拉出。法兰伸缩蝶阀主要技术参数
| 公称通经dn(mm) |
50~2000 |
50~1600 |
| 公称药理pn(mpa) |
0.6 |
1.0 |
1.6 |
| 密封试验(mpa) |
0.66 |
1.1 |
1.76 |
| 强度试验(mpa) |
0.9 |
1.5 |
2.4 |
| 适用温度 |
软密封 |
x:-40℃~90℃;xf:-20℃~200℃ |
| 硬密封 |
碳钢:-29℃~425℃ 不锈钢-40℃~650℃ |
| 适用介质 |
水、空气、天然气、油品及弱腐蚀性流体 |
| 泄漏率 |
符合gb/t13927-92标准 |
| 驱动方式 |
蜗轮传动、电动、气动、液动 |
法兰伸缩蝶阀主要零部件材料
| 零件名称 |
材料 |
| 阀体 |
wcb、qt450-10、不锈钢 |
| 蝶板 |
wcb、qt450-10、不锈钢 |
| 阀轴 |
2cr13不锈钢 |
| 密封圈 |
橡胶 |
| 填料 |
柔性石墨 |
法兰伸缩蝶阀采用标准
| 制造标准 |
jb/t8527-97、gb/t 122387-89 |
| 法兰标准 |
gb9113-2000、gb17241.6-1998 |
| 检验标准 |
gb/t 13927-92 |
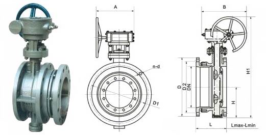
法兰伸缩蝶阀主要外形连接尺寸 单位:mm

| 规格 |
d |
d1 |
d2 |
lmax |
lmin |
h1 |
h2 |
n-фd |
| 100 |
220 |
180 |
156 |
216 |
174 |
110 |
170 |
8-ф18 |
| 125 |
250 |
210 |
184 |
232 |
186 |
123 |
182 |
8-ф18 |
| 150 |
285 |
240 |
211 |
239 |
194 |
140 |
210 |
8-ф22 |
| 200 |
340 |
295 |
266 |
264 |
214 |
170 |
238 |
8-ф22 |
| 250 |
395 |
350 |
319 |
296 |
235 |
195 |
270 |
12-ф22 |
| 300 |
445 |
400 |
370 |
300 |
250 |
222 |
300 |
12-ф22 |
| 350 |
505 |
460 |
429 |
320 |
270 |
252 |
330 |
16-ф22 |
| 400 |
565 |
515 |
480 |
332 |
282 |
285 |
368 |
16-ф26 |
| 450 |
615 |
565 |
530 |
355 |
305 |
310 |
402 |
20-ф26 |
| 500 |
670 |
620 |
582 |
365 |
315 |
337 |
438 |
20-ф30 |
| 600 |
780 |
725 |
682 |
420 |
340 |
393 |
490 |
24-ф30 |
| 700 |
895 |
840 |
794 |
446 |
396 |
450 |
558 |
24-ф33 |
| 800 |
1015 |
950 |
901 |
476 |
426 |
515 |
625 |
28-ф33 |
| 900 |
1115 |
1050 |
1001 |
506 |
456 |
560 |
685 |
28-ф33 |
| 1000 |
1230 |
1160 |
1112 |
516 |
466 |
610 |
750 |
28-ф36 |
| 1200 |
1455 |
1380 |
1328 |
560 |
510 |
725 |
880 |
32-ф39 |
| 1400 |
1675 |
1590 |
1530 |
590 |
540 |
840 |
987 |
36-ф42 |
| 1600 |
1915 |
1820 |
1750 |
630 |
585 |
960 |
1158 |
40-ф48 |
| 1800 |
2115 |
2020 |
1950 |
680 |
630 |
1060 |
1258 |
44-ф48 |
| 2000 |
2325 |
2230 |
2150 |
730 |
680 |
1165 |
1365 |
48-ф48 |