燃气电磁阀产品说明: zcrb紧急切断燃气电磁阀在城市或工厂的燃气供应管网内安装此系列燃气快速切断阀,可在中央控制室内集中控制,远距离遥控紧急关闭事故现场的管线燃气供应。燃气管路系统检修、排除故障时切断燃气。燃气电磁阀主要用途: zcrb紧急切断燃气电磁阀与可燃气体泄漏检测仪连接。当仪器检测到可燃气体泄漏时,自动、快速关闭主供气阀门,切断燃气的供给,及时制止恶性事件的发生。与热力设备的极限温度(压力)安全控制器连接,当设备内检测点的温度或压力超过设定极限数值,自动关闭供气阀门,停止燃气供给。与高层建筑的中央消防报警系统连接,当大厦发生火警时,自动切断大厦内的燃气供应,防止煤气爆炸的发生。燃气电磁阀安装和配套: 普通型(防爆型)燃气快速切断阀通常安装在被监控区室外的主供气管道上。安装时请注意阀体上标明的气流方向。安装好后,先泄压,然后将手动拉起操作杆直到卡住,阀门开启,手动接通电源(小于5秒的脉冲通电时间),阀门关闭。必须动作数次,动作无误后方可投入使用。并定期检查动作的可靠性。产品电源接线务必要接地,防爆接地线为黑色。燃气电磁阀技术参数:
| 工作状态 |
通电关闭,手动复位 |
| 工作介质 |
煤气、天然气、液化石油气等可燃性气体,也可以适用于空气、水液等普通介质 |
| 介质温度℃ |
≤70 |
| 公称压力 mpa |
1.6 |
2.5 |
4.0 |
| 工作压差 mpa |
0-0.004(常用形式) 0-0.01、0.1-1.6、0.1-4.0(特殊形式) |
| 电源电压 |
ac220v、ac380v、ac24v、dc24v、dc220v其余规格可作特殊订货 |
| 额定流量系数 kv |
按jb/t7352-94规定 |
| 泄漏量 ml/min |
按jb/t7352-94·f规定 |
| 公称通径 mm |
dn10-dn450 |
| 防爆标志 |
exmiit4 |
| 防爆证编号 |
gyb071325x |
| 出线口接头 |
内螺纹m20×1.5或1.5米防爆引线 |
| 环境温度 |
-5~+40℃(不结冻) |
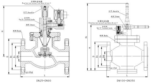
燃气电磁阀安装尺寸:

| 公称通径dn(mm) |
尺 寸(mm) |
管接头 |
| d |
d1 |
d2 |
d2 |
f2 |
b |
l |
h |
h1 |
z-фd |
| 50 |
160 |
125 |
100 |
88 |
4 |
20 |
230 |
346 |
359 |
4-18 |
r1/4 |
| 65 |
180 |
145 |
125 |
- |
- |
- |
290 |
337 |
354 |
- |
| 80 |
195 |
160 |
135 |
121 |
4 |
22 |
310 |
445 |
465 |
8-18 |
| 100 |
230 |
190 |
160 |
150 |
4.5 |
24 |
350 |
590 |
623 |
8-22 |
| 150 |
300 |
250 |
218 |
204 |
4.5 |
28 |
444 |
- |
580 |
8-25 |
r1/2 |
| 200 |
360 |
310 |
278 |
260 |
4.5 |
30 |
559 |
- |
645 |
12-25 |
| 250 |
425 |
370 |
332 |
313 |
4.5 |
32 |
622 |
- |
750 |
12-30 |
| 300 |
485 |
430 |
390 |
364 |
4.5 |
36 |
711 |
- |
1100 |
16-30 |
| 350 |
550 |
490 |
448 |
422 |
5 |
40 |
838 |
- |
1380 |
16-34 |